Pompa-hisap ganda, juga dikenal sebagai pompa sentrifugal-terbuka pertengahan, adalah pompa sentrifugal dengan desain impeler-hisap ganda. Fitur intinya adalah cairan memasuki pompa dari kedua sisi impeler secara bersamaan. Struktur simetris ini memungkinkannya bekerja dengan sangat baik-skenario transmisi aliran besar dan merupakan peralatan utama untuk pasokan air perkotaan, pasokan air dan drainase kota, serta sistem sirkulasi industri besar.
Parameter Produk
| Laju aliran | 112m³/h-6250m³/h |
| Kepala | 10-150m |
| Kecepatan | 1450/2950r/menit |
| Voltase | 380/460v |
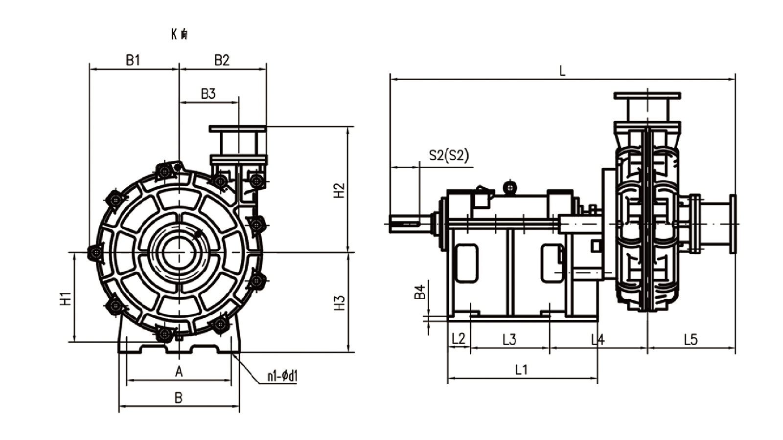
Diagram struktur produk

Fitur Produk
1. Laju aliran tinggi dan efisiensi tinggi: Struktur hisap ganda memungkinkan peningkatan laju aliran sebesar 30%-50% dibandingkan dengan pompa hisap tunggal dengan diameter impeler yang sama. Laju aliran maksimum bisa mencapai 50.000 m³/jam. Model hidraulik yang dioptimalkan dan saluran aliran cor yang presisi memungkinkan efisiensi maksimum sebesar 92%, memenuhi standar efisiensi energi tingkat pertama nasional, sehingga menghasilkan penghematan energi yang signifikan.
2. Pengoperasian yang lancar dan umur yang panjang: Susunan impeler yang simetris, keseimbangan gaya aksial otomatis, secara signifikan mengurangi beban dan keausan bantalan. Getaran pengoperasiannya kecil, kebisingannya rendah, dan umur desain bantalan bisa melebihi 100.000 jam.
3. Performa ketahanan kavitasi yang luar biasa: Desain saluran masuk air dua sisi mengurangi kecepatan saluran masuk impeler, meningkatkan tekanan saluran masuk, dan menurunkan kebutuhan kepala hisap positif bersih (NPSHr) dibandingkan dengan pompa hisap tunggal sebesar 20%-30%, sehingga lebih cocok untuk media yang mengandung gelembung dan memperpanjang masa pakai pompa.
4. Struktur kompak dan perawatan mudah: Casing pompa mengadopsi desain terbuka tengah-horizontal. Selama perawatan, tidak perlu membongkar pipa saluran masuk dan keluar serta motor. Membuka penutup pompa saja sudah memungkinkan pelepasan seluruh komponen rotor, sehingga sangat menyederhanakan pekerjaan pemeliharaan dan mempersingkat waktu henti. . Ada juga model vertikal (seperti tipe SLB), yang memiliki tapak lebih kecil dan cocok untuk ruang pompa dengan ruang terbatas.
Bidang aplikasi
Terkenal karena alirannya yang tinggi, head-sedang-tinggi, dan stabilitas operasionalnya, pompa hisap ganda sangat penting dalam infrastruktur air perkotaan
•Sistem Pasokan Air Perkotaan: Peralatan inti untuk pengambilan air di instalasi pengolahan dan jaringan distribusi bertekanan, memastikan pasokan air perumahan dan industri yang andal
.•Drainase Perkotaan & Pengendalian Banjir: Dipasang di stasiun pompa air hujan dan drainase untuk pembuangan air banjir secara cepat guna mencegah genangan air perkotaan, dan untuk mengalirkan limbah yang telah diolah dari instalasi pengolahan air limbah
.•Proyek-Pemeliharaan & Pengalihan Air Berskala Besar: Diterapkan dalam proyek nasional besar seperti transfer air antar-DAS (misalnya, Pengalihan Air-Selatan-Utara), pasokan air waduk, dan alokasi sumber daya air regional
.•Irigasi & Drainase Pertanian: Menyediakan air irigasi untuk-area pertanian skala besar dan digunakan untuk drainase lahan pertanian, mendukung pertanian modern
.•Sistem Bantu Industri & Bangunan: Banyak digunakan dalam sirkulasi air pendingin pembangkit listrik (termal, nuklir), sistem sirkulasi HVAC untuk kompleks komersial/perumahan besar, dan sistem pasokan air pemadam kebakaran
Pengiriman Paket Kami
Pengemasan: Pengemasan Khusus Seperti Panel Sandwich Dan Kotak Kayu Lapis Digunakan, Dengan Struktur Yang Kokoh Dan Tahan Benturan-, Secara Tepat Disesuaikan Dengan Ukuran Pompa Lumpur, Memastikan Tidak Ada Kerusakan Selama Transportasi Dan Pengiriman Yang Aman Ke Pintu. Metode Pembayaran: Visa, Master Card, Western Union, t/t, l/c, Paypal, dan Alipay. Logistik dan Transportasi: Bekerja Sama Dengan Perusahaan Logistik Internasional Seperti Dhl Dan Maersk Untuk Menyediakan Solusi Distribusi Multi-Saluran Seperti Exw/Fob/Cif, Mencakup Lebih Dari 100 Negara/Wilayah.

FAQ
Q1: Apa rangkaian produk Anda?
Q4: Berapa lama waktu pengiriman?A: Stok Pompa: 7 Hari Kerja (Kecuali-Pekerjaan, Spesifikasi Standar). Pompa Khusus: 40 Hari Kerja (Termasuk Desain, Pengecoran, dan Pengujian).
Q5: Informasi apa yang perlu saya berikan untuk penawaran?A: Laju Aliran (m³/jam); Kepala (L); Sedang; Konten Padat; Tingkat pH;
Tag populer: pompa drainase air perkotaan, produsen, pemasok, pabrik pompa drainase air perkotaan Cina, Pompa Hisap Pasir dan Lumpur Tugas Berat Berkualitas Tinggi, Pompa Pasir Lumpur Industri, Pompa Lumpur Pertambangan, Pompa Pasir Pengerukan Sungai, pompa pasir, pompa lumpur

